Например, два ЛБП которые там стоят, вполне могут выступать преградой для помех идущих, обратно, в сеть. Что положительно скажется.
Это все самые минимальные улучшения. Начало пути. Свитч с хорошим клоком даст значимый эффект, а наличие отпоразвязки даст еще большее улучшение.
У вас уже стоят аудио свитчи и опторазвязки на обеих берегах?
Да.
У меня на чистом SW6 и FMC в пути. А грязный был вообще без свитчей, пока хоть так пусть будет.
Товарищи, кто использует Matrix Net Switch. Есть от него реальная, слышимая польза (улучшения) для звука?
Так улучшения были и до внедрения лбп на свичи, когда они были на штатных ибп, если я правильно понял ).
С одной поправкой, у Бориса нет никаких берегов, у него опторазвязка.
Свитчи сразу были на ЛБП поставлены.
Значит я неверно понял ваши первые посты по этому вопросу.
Я использую, польза есть
воспользуйтесь поиском в теме по слову Matrix. Много же отзывов
Два свитча, один с оптической развязкой. При воспроизведении с сервера, сигнал проходит мимо роутера.
А такой радости в виде двух перепаянных Нетиса 4 с Авито у меня нет и не будет. Это вы сами слушайте.
Спокойнее воспринимайте, Борис. Я лишь упомянул, что ваша схема не является берегами. Потому что берегами является схема, где используется роутер в режиме моста (отсюда и название «берега). Ничего плохого о вашем варианте не пишу вроде. Ваше же мнение о популярной схеме берегов, которую вы никогда не слушали в нормальной рекомендуемой реализации и которую почему то вы ревностно атакуете выдумывая какие то воображаемые роутеры с авито общеизвестно уже. По моему незачем его раз в неделю повторять, вводя в заблуждение тех, кто недавно начал читать ветку. Опишите лучше какой прирост и в чем дало вам внедрение опторазвязки, с чем вы ее сравнивали. Это будет всем интересно.
Напишите в теме 🕸 Сетевое хозяйство меломана — роутеры, хабы и сетевые хранилища — НА ЧИСТЫХ берегах 🌊 (часть 4)
как вам пришла в голову идея купить 2 б/у роутера Netic 4 на Авито, перепаять там пару стабов. Соединить их по WiFi, и какой положительный эффект вы получили. Это будет познавательно.
Не могу, Борис, т.к. я не покупал 2 б/у роутера на Авито и идея с такой доработкой в принципе пришла не мне. Все остальные подробности давно написаны.
Кто нибудь пробовал ставить sa/sw8,6 ставить на сторону грязного берега или наоборот на чистый, как лучше?
Стоит на чистом рядом со стримером который клочится, поставить не могу на грязный так как далеко
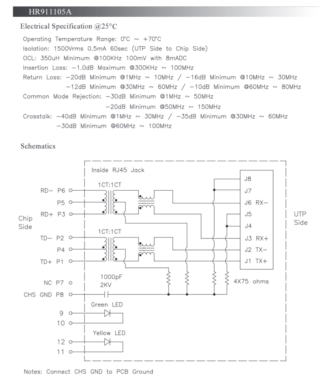
Спецификация и схема достаточно типового LAN разъема:
В свитче как правило стоят или такие разъемы или аналогичная схема распаяна около них, common mode rejection 20-30+dB это не мало.
Поэтому даже пустые коробочки типа DXE ISO работают.
На моем опыте добавление клока на два устройства(свитч и цап) дает заметно больший эффект, чем клокинг только одного устройства.
И второй момент - устройства чистого берега важнее.
Как понимаю не стоит на грязный вифи мост ставить sa6/8?
Достаточно на чистом 8-ки?
Тем более должен добавится 2р в скором
обычно слышно эффект и на грязном
