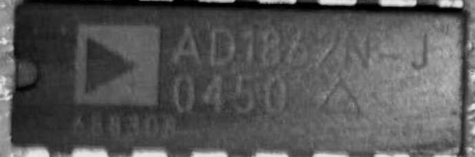
А что это за дата производства 0450?
На моих 9627 написано, но какое это имеет отношение к дате?
Первые две цифры - год производства, Две остальные - неделя.
Например 96 год 27 неделя. Просто предположение.
То бишь конец 2004 года. А выглядят в целом как мои?
@VasilTech Василий точно знает.
В разные годы у AD встречался разный стиль написания, правда со строго определёнными шрифтами, с фирменными “фишечками”, которые китайцы пытались, но не получалось идеально подделать.
Ну и на заводах разных стран корпусировка и надпись несколько отличались.
0450 вполне могут ещё быть оригиналами. Но только по цифрам не угадаешь, желательно посмотреть, и лучше с двух сторон. И не все подобные цифры есть датакод, порой это номер партии и прочие данные.
Самая же частая подделка у китайцев – перебивка со старых безгрейдовых (и зачастую выпаянных газовыми горелками из б/у нерабочих аппаратов) на “новые” грейдовые…
Я полагаю, что вид ваших относится к девяностым годам, а вид моих - к нулевым.
Вот еще бабай выкладывал фотку из фирменного аппарата, который он рекапит:
А вот как ваши:
Я думаю, что оставшиеся цифры в маркировке чипов - это инфа о заводе изготовителе и партии
Вид тех 0450, которые я сейчас нашёл у китайцев, и вид этих на Вашем фото – мягко говоря наводит на мысли о пескоструйке и перебивке.
Но желательны более качественные фото. И снизу тоже.
Покажите, пожалуйста,
Что за китайцы?
на фотке бабая из фирменного цируса тоже наводит?
Гладкая поверхность с четкими гранями:
Против очевидно поцарапаной с неравномерными гранями:
Пескоструй прям очень вероятен, поддержу Василия.
а если хочется послушать именно AD1862N, на что лучше обратить внимание из этих:
- AUDIO ALCHEMY DDE v1.2
- AUDIO ALCHEMY DDE v3.0
- Cyrus Dacmaster
- TROISI DC20DAC?
Наверное Cyrus, это если из доступных. Troisi вы вряд ли найдете 
Всем привет
Naim DAC слушаете с БП XPS ?
Вот еще вариант, Counterpoint DA-10E (2х AD1862N):
В том то и дело, что там в Сайрусе стоит 1993 года, и да, тогда у этого завода была такая маркировка.
А ваши, к сожалению – 99,99% подделка. Китайцы не очень понимают взаимосвязи шрифтов, датакодов, партнамберов, и всех этих треугольников, и взаимного расположения. Набирают похожее, что видели, и после пескоструя, лазером (что для них совсем не сложно) пишут те буквы-цифры, за которые, на их взгляд, можно больше денег изъять. Краской тоже, конечно, штампуют вдоволь.
Предположение не всегда совпадает с истиной…
Не хочется кидать прямых ссылок, для лишней их рекламы, но прямо сейчас такие в продаже в Китае по 4,6$/шт., 7,8$/шт, и покупать можно хоть сотнями…
Можно и более свежие даты, не только 4-ый, но и 5-ый, и 8-ой, и вплоть до 15 года, китайцам не сложно любое написать:
Можно и такие буковки написать 
А вернувшись конкретно к Вашим 0450:
А откуда же китайцы взяли пример для копирования? – а вот откуда, ДАК Коунтерпоинт-10, просто отсканировали чип, и исправили в компе 93 на 04

PS. Опс, пока писал своё сообщение, выше кинули ссылку на похожий Каунтрпоинт)
И это я сходу понаходил, со смартфона, а дома на основном компе ещё больше инфы и фоток.
,У меня нет к сожалению XPS
Слушал без,так себе апаратец)
Это, потому что “без”
“С” совсем другой аппаратец по уровню
Наверное,дорого еще)
- 2000$
но оно того стоит








