А у кого то есть опыт использования УМ Luxman с предами Mark Levinson?
Что если с моими Luxman 700 использовать к примеру Mark Levinson 380.
Интересно услышать ваше мнение, обоснованное на личном опыте. Спасибо
Всем привет. Хочу на стареньком Luxman L-58A поменять акустические терминалы (поставить под бананы). Подскажите, может кто уже делал себе такое на своем усилке?
Колодка там маленькая, 8 терминалов не влезут, а так, это не такая большая проблема, поставить их через переходную пластину из пластика.
Если Вы планируете использовать только одну пару акустики, то можно поставить новые терминалы “через один”, тогда влезут нормальные.
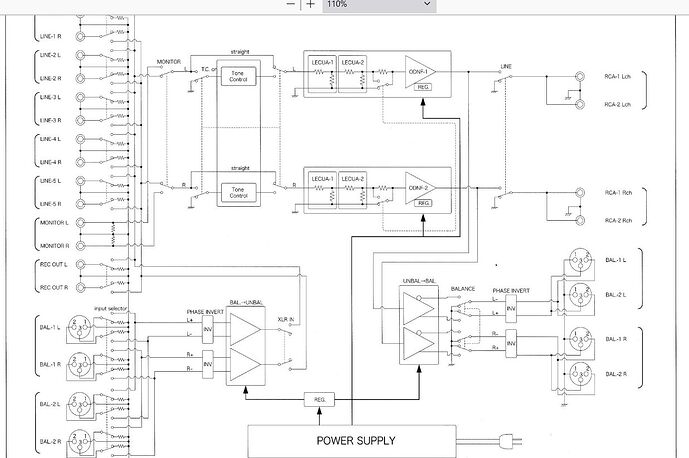
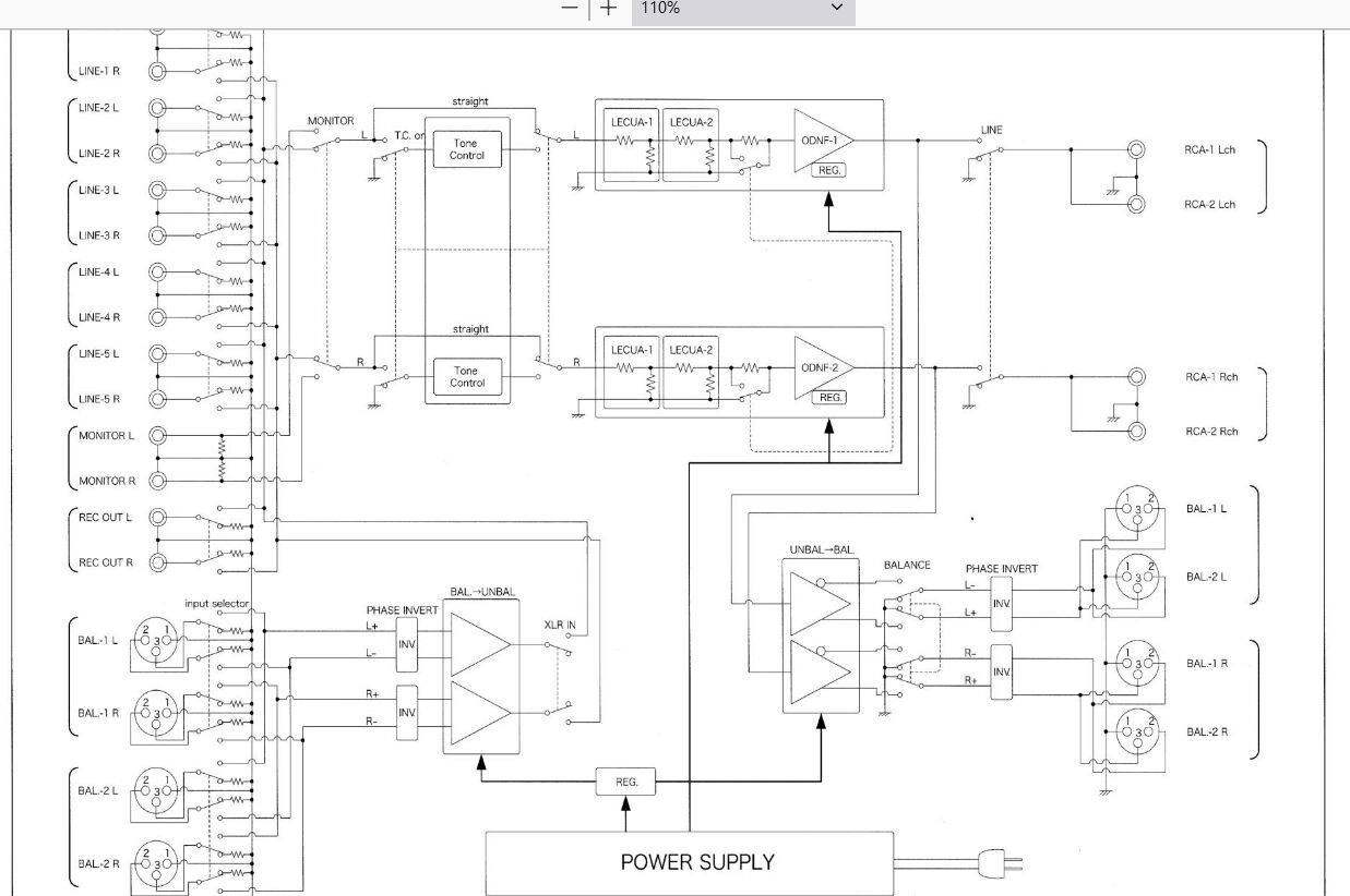
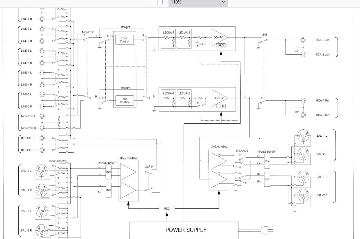
Судя по блок схеме оба балансные… Знать бы, что это за коробочка с обозначением INV.
Изменение фазы при балансном подключении
Я имел ввиду, увидеть бы принципиальную схему…
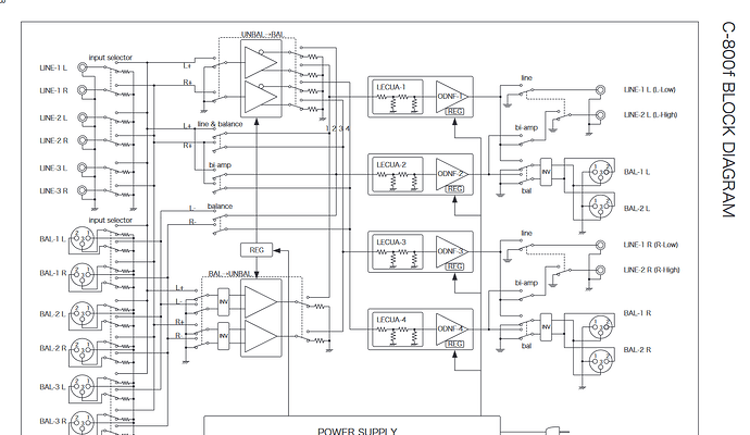
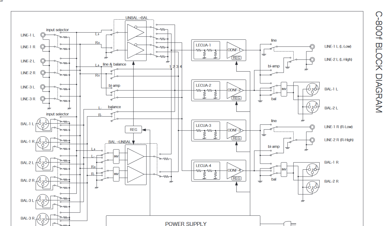
А так, 600й от 800го разничается только количеством входов.
Золото
, хорошо звучит Сева ролик прислал ![]()
Господа, прошу помощи, есть Luxman D7 мультивольтаж , сейчас на 100в ,как перевести на 220в. Из того что я увидел при вскрытии , надо перемычку перекинуть на край , правильные мои мысли ?
Похоже на то.
Спасибо за подсказку !
Спасибо ,Виталий @gosvit ,все получилось в лучшем виде !
А, внизу понижающий трансформатор?
Или это фильтр?
Понижайка 242/106 . Продукция Андрея из Воронежа.
Это напряжение?





